氣體消防如何分類???
概述
消防報警系統,又稱火災自動報警系統,它是由觸發裝置、火災報警裝置、火災警報裝置以及具有其它輔助功能裝置組成的,它具有能在火災初期,將燃燒產生的煙霧、熱量、火焰等物理量,通過火災探測器變成電信號,傳輸到火災報警控制器,并同時顯示出火災發生的部位、時間等,使人們能夠及時發現火災,并及時采取有效措施,撲滅初期火災,最大限度的減少因火災造成的生命和財產的損失,是人們同火災做斗爭的有力工具。

第一部分 有管網氣體消防系統
1.1 設計的依據
氣體滅火系統平面圖、系統圖
氣體滅火系統施工和驗收規范 GB50263—2007
《氣體滅火系統施工及驗收規范》 (GB50263-2007)
《工業金屬管道工程施工及驗收規范》 (GB50235-97)
1.2 氣體滅火的特性
1.對環境無污染,是安全有效的滅火系統。
2.滅火速度快,能在十秒內迅速滅火。
3.對敏感設備無損害。
4.優異性能,是其他滅火系統無法比擬的。
5.經全面的測試,無毒性。
6.滅火時候不用屏住呼吸,氣體滅火對人體更安全。
7.節省時間,快速無比,當貴重的財產面臨危險,每一秒鐘都至關重要。
8.解除隱憂,解決后顧之憂。
9.價格優勢,與火災造成的財產與資料損失相比,氣體滅火價值是顯而易見的
1.3 系統組成及工作原理
1.3.1 系統組成
二氧化碳氣體滅火系統應用于全淹沒系統和局部淹沒系統,按組成方式不同又可分為組合分配系統和單元獨立系統。當一個建筑物或內部結構有二個或二個以上保護區域時,可以將幾個保護區組合起來,共同設置一套混合氣體滅火裝置,這樣建立起來的系統就稱為組合分配系統。其優點表現為用一套滅火劑貯存裝置,滅火劑的設計總量按其中最大一個防區的用量設置。系統滅火工作啟動后,其防護區需用量由系統控制分配,從而節約費用。如果是用一套滅火劑貯存裝置單獨保護一個防護區,就稱為單元獨立系統

1.3.2 系統主要部件
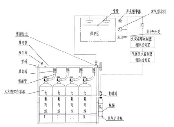
系統主要組件有:儲氣鋼瓶、容器閥、單向閥、選擇閥、驅動裝置、集流管、金屬軟管、噴嘴、壓力反饋裝置、控制盤、系統的管路附件、滅火劑輸送管路附件和儲氣瓶支架等
1.4 七氟丙烷
七氟丙烷(HFC-227ea/FM200)是一種以化學滅火為主,兼有物理滅火作用的潔凈氣體滅火劑;它無色、無味、低毒、不導電、不污染被保護對象,不會對財物和精密設施造成損壞;能以較低的滅火濃度,可靠的撲滅B、C類火災及電器火災;儲存空間小,臨界溫度高,臨界壓力低,在常溫下可液化儲存;釋放后不含粒子或油狀殘余物,對大氣臭氧層無破壞作用(ODP值為零),在大氣層停留時間為31~42年,符合環保要求。

1.4.1 七氟丙烷的使用范圍
七氟丙烷滅火系統主要適用于計算機房、通訊機房、配電房、油浸變壓器、自備發電機房、圖書館、檔案室、博物館及票據、文物資料庫等場所,可用于撲救電氣火災、液體火災或可熔化的固體火災,固體表面火災及滅火前能切斷氣源的氣體火災。
1.4.2 七氟丙烷的注意事項
七氟丙烷滅火系統不可用于下列物質的火災
1)氧化劑的化學制品及混合物,如硝化纖維、硝酸鈉等。
2)活潑金屬,如: 鉀、鈉、鎂、鋁、鈾等。
3)金屬氧化物,如:氧化鉀、氧化鈉等。
4)能自行分解的化學物質,如過氧化氫、聯胺等。
1.4.3 主要技術參數


1.4.4 安裝場所
1)七氟丙烷是一種以化學方式滅火的潔凈氣體滅火劑。它低毒、無色、無味、。 (1)環境溫度為-10~50℃,并保持干燥和通風良好。
2)空氣中不應含有易爆、導電塵埃及腐蝕部件的有害物質,否則應加以保護,
且不得受到震動和沖擊。
3)瓶站應設在人員出入方便的地方,為了值班人員,工作人員的安全,要求出口應直接
通向室外或疏散通道,瓶站的耐火等級不應低于二級的防火要求。
4)瓶組框架必須用地腳螺栓緊固。
1.4.5 管網系統

1.5 消防氣體的滅火系統說明
1)每個保護區的地板下、室內空間層及吊頂天花內需設置噴嘴、煙感探測器和溫感探測器。為了節省投資成本,保護區之間的氣體采用共享設計,減少了滅火藥劑用量,而煙感探測器和溫感探測器則仍然保持警報的功效。
2)所有間隔必須密閉固定,藥劑噴放時無泄漏。系統采用組合分配方式,當某個保護區有火情發生時,煙、溫兩路探頭把火警信號傳至氣體滅火控制盤及控制室,聲、光自動報警并按照預定模式自動延時,啟動電磁閥及方向閥,使FM-200儲氣鋼瓶噴放氣體至發生火情的保護區, 也可以手動放氣或進行機械緊急啟動。
3)氣體噴放的延遲時間 0-30 秒可調,表示系統狀態的所有信號都可以傳輸到當地的氣體滅火控制盤或傳到消防中央控制室。
4)鋼瓶的瓶頭閥部位設有安全閥,在超壓時可以自動泄壓,從而起到保護作用。鋼瓶的放氣啟動頭及方向閥均采用24VDC電磁閥控制,由氣體滅火控制屏給出放氣信號,啟動鋼瓶。在斷電或緊急情況下,可通過鋼瓶上的手動啟動頭施行手動啟動。手動及電動啟動方式作用在鋼瓶的瓶頭閥上,而從屬鋼瓶則用主氣瓶的壓力通過壓力啟動頭控制啟動。
5)系統噴放氣體后,連接在管路系統上的噴氣壓力開關會給出放氣返回信號到中心控制室。

6)防護區應以固定的封閉空間劃分,防護區內應有疏散信道和出口,保證人員在30秒內能撤離防護區,防護區內的疏散信道和出口,設應急照明與疏散指示標記,防護區內和防護區的人口處裝有火災聲、光報警器。
7)滅火系統設自動控制、手動控制和機械應急操作,手動控制裝置、手動與自動轉換裝置設在防護區內和防護區疏散出口邊便于操作的地方,機械應急操作裝置設在儲瓶間內。
8)防護區的門應向外開啟,并能自行關閉,疏散出口的門,必須能從防護區內打開,滅火時應保持封閉條件,除泄壓口以外的開口以及用于該防護區的通風機和通風管道中的防火閥在噴放FM-200前應做到關閉。故防護區的門可做成裝有外開門閉門器或彈簧的門,這樣保護區可不設泄壓口,而通風機和防火閥的關閉可通過氣體滅火控制屏輸出接口達到。
第二部分 無管網氣體消防
2.1 設計依據
氣體滅火系統平面圖、系統圖
氣體滅火系統施工和驗收規范 GB50263—2007
《氣體滅火系統施工及驗收規范》 (GB50263-2007)
《工業金屬管道工程施工及驗收規范》 (GB50235-97)
2.2 使用范圍

本柜式裝置不用設置專用的瓶組間,整個柜體設置在防護區內,適用于計算機房、檔案館、貴重物品庫、通訊機房等空間較小的防護區,幾臺柜式裝置聯用也可保護較大的保護區。當建筑物內無法設置專用的瓶組間,或雖然有瓶組間,但輸送距離較遠,不能滿足工程設計的要求,或防護區內不便安裝系統管網時,可使用本裝置。
2.3 七氟丙烷無官網滅火裝置優點
1) 應用范圍最廣;
2) 潔凈、環保無殘留;
3) 安全可靠、不導電;
4) 全淹沒滅火效果明顯;
5) 因地制宜、安裝方便;
2.4 產品特點
1)裝置設計合理、先進,裝置各部件均采用優質新型抗老化、耐高壓、耐腐蝕的材料經過精密的加工工藝制作而成,產品性能優良、密封方式可靠、動作靈活、外形美觀、操作維護方便。
2)不需專門的瓶組間、占地面積小。
3)裝置各項指標完全符合國家標準GB16670-2006《柜式氣體滅火裝置》的要求。各項技術指標均處于國內領先水平,并通過了國家固定滅火系統和耐火構件質量監督檢驗測試中心的檢測。
4)裝置的關鍵部件均設置了防誤動作的安全機構,增加了裝置的安全性和可靠性。
5)裝置曾在各級評比中多次獲獎。并被評定為浙江省工程建設重點推薦名優產品。
6)我公司的GQQ系列柜式七氟丙烷氣體滅火裝置規格齊全,可根據用戶要求及各類工程實際需要靈活的組合。
2.5 系統圖

2.6 系統技術參數
1)充裝壓力2.5Mpa
2)滅火劑噴放時間≤10s
3)系統工作電源主電源AC220V、輔電源DC24V
4)系統工作環境溫度-10~50℃
5)系統啟動方式自動、手動
2.7 七氟丙烷儲存瓶組
1)由儲存瓶、容器閥、壓力信號發生器、電磁啟動閥、高壓軟管組成,平時儲存瓶用來儲存七氟丙烷滅火劑,火災發生時將滅火劑釋放出去進行滅火。
2)七氟丙烷儲存瓶的儲存壓力檢查方法:檢查壓力表開關是否關閉,即壓緊螺母是否旋緊;卸下壓力表,泄放壓力表密封腔內的壓力;此時壓力表應歸零,否則更換壓力表;裝上壓力表,打開開關,顯示正常壓力。
3)電磁啟動閥安裝在容器閥上,以電動或手動打開容器閥,釋放滅火劑。緊急情況下,可以用手指拉住保險扣拉手,把保險扣拉出,拍擊手動按鈕,即可驅動電磁閥動作。

4)壓力信號發生器安裝在出口部位,當釋放七氟丙烷時,壓力信號發生器動作送出工作信號給滅火控制系統。
5)高壓軟管用于容器閥和噴嘴之間的連接。
第三部分 有管網與無管網氣體消防的區別
3.1 有管網七氟丙烷滅火裝置
就是氣體滅火劑儲存瓶經過包裝成箱子,美觀點,平時放在需要保護的防護區內,在發生火災時,不需要經過很多管路,直接就在防護區內噴放滅火

3.2 無管網七氟丙烷滅火裝置
就是氣體滅火劑儲存瓶平時放置在專用鋼瓶間內,通過管網連接,在火災發生時,將滅火劑由鋼瓶間,輸送到需要滅火的防護區內,通過噴頭進行噴放滅火。 柜式滅火裝置是將滅火劑貯存裝置、管路、噴頭、壓力訊號器、閥驅動器、火災探測部件、控制器等部件組裝于儲瓶柜內的一種滅火裝置。采用電磁型閥驅動器進行啟動,啟動電源DC24V 1.2A。儲瓶柜有單瓶柜和雙瓶柜兩種。 柜式滅火裝置需要與火災探測器、火災報警滅火控制器等設備配套使用。當防護區發生火情,感溫、感煙探測器發出火災信號通過火災自動報警滅火控制器的邏輯分析后,即發出聲光復合報警信號,同時發出聯動指令,關閉聯動設備,啟動電磁型閥驅動器,開啟容器閥,釋放滅火劑,實施滅火;亦可按下緊急啟動按鈕,實施滅火操作。

3.3 有管網氣體消防滅火劑鋼瓶的放置
有管網系統鋼瓶在鋼瓶間。因為距離遠,所以要求壓力高,一般4.2MPa。有的是 5.6MPa。
3.4 無管網氣體消防滅火鋼瓶的放置
無管網系統鋼瓶在防護區。因為在防護區,所以壓力不能太高,否則爆炸對人有危害,所以2.5MPa

3.5 優缺點
1)有管網系統經過管網噴放,噴頭平均分配,所以噴放均勻,滅火效果好,
無管網一般都是箱體噴頭直接噴放,所以噴放點是一點,噴放不夠均勻;
2) 有管網需要單獨設置鋼瓶間,設置管網,
無管網不需要,如果只保護一個區域,從經濟角度有管網系統成本高。
3) 有管網系統可以用同一套系統保護多個防護區。不同防護區發生火災,針對性的噴放,
無管網需要每個防護區單獨設置鋼瓶和滅火劑,這個時候無管網的價格就比較高了。因此要根據不同情況進行選擇。
海灣消防公司主營:海灣消防報警系統銷售,消防設備安裝,海灣氣體滅火、海灣電氣火災、消防水噴淋系統施工安裝,售后維修,海灣消防網站:http://m.cqcpsy.cn/;海灣消防服務熱線:4006-598-119
本頁關鍵詞:氣體消防如何分類???


蘇公網安備32058102002147號