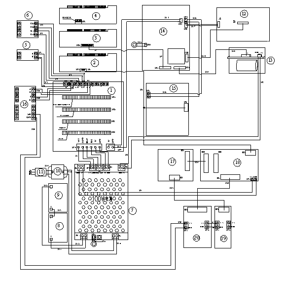
海灣報警控制器內部接線示意圖
1、 海灣壁掛式報警控制器
2、海灣柜式和琴臺式火災報警控制器主機
智淼君安(江蘇)消防工程技術有限公司http://m.cqcpsy.cn/
海灣消防公司主營:海灣消防報警系統銷售,消防設備安裝,海灣氣體滅火、海灣電氣火災、消防水噴淋系統施工安裝,售后維修,海灣消防網站:http://m.cqcpsy.cn/;海灣消防服務熱線:4006-598-119本文網址:http://m.cqcpsy.cn/jishuziliao/8902.html
關鍵詞:海灣報警控制器內部接線示意圖
| 項目代號 | 項目名稱 | 項目代號 | 項目名稱 |
| 1 | 母板 | 2 | 回路板 |
| 3 | 主板 | 4 | 232通訊板 |
| 5 | 單回路總線濾波板 | 6 | 雙回路總線濾波板 |
| 7 | 100W電源 | 8 | 蓄電池1 |
| 9 | 蓄電池2 | 10 | 變壓器 |
| 11 | 電源濾波器 | 12 | 液晶屏 |
| 13 | 打印機 | 14 | 開關板 |
| 15 | 手動盤控制板 | 16 | 濾波板 |
| 17 | 4路燈鍵板 | 18 | 6路燈鍵板 |
| 19 | 4路輸出板 | 20 | 6路輸出板 |

2、海灣柜式和琴臺式火災報警控制器主機


海灣消防公司主營:海灣消防報警系統銷售,消防設備安裝,海灣氣體滅火、海灣電氣火災、消防水噴淋系統施工安裝,售后維修,海灣消防網站:http://m.cqcpsy.cn/;海灣消防服務熱線:4006-598-119
本頁關鍵詞:海灣報警控制器內部接線示意圖
技術資料更多 >>


蘇公網安備32058102002147號